- Get link
- X
- Other Apps
- Get link
- X
- Other Apps
Wilbo666 Toyota Fpc To Cor Wiring
Wiring Refined Fuel Pump Ecu Mod Clublexus Lexus Forum
Ecu Doesn T Ground Fuel Pump Relay Clublexus Lexus Forum
Fuel Pump Engine Diagram Schematics Online
Toyota Fuel Pump Wiring Diagram Wiring Diagram
Vwvortex Com Just Finished Install No Fuel Pump Signal
Cannot Get Fuel Pump To Prime Page 2
4afe Ecu Wiring Help Needed Mechanical Electrical
Wiring The Aem Infinity Ecu Infinitybox
Toyota Soarer Fuel Pump Voltage Control Electrical System
Ecu Load Based Fuel Pump Evoxforums Com Mitsubishi
Vwvortex Com Pre Obd To Obdii Aba Swap Wiring
Mazda Rx 7 Fuel Pump Rewire Diagram Stanis Net
Wiring The Aem Infinity Ecu Infinitybox
Stealth 316 Fuel Pump Relay Resistor Bypass
Lancer Fuel Pump Wiring Diagram Wiring Diagram
Ls1 Fuel Wiring Schematics Online
Sc300 12v Fuel Mod W Pictures Faq Page 14 Clublexus
Wilbo666 Circuit Opening Relay
Wiring Diagram Honda Crx Del Sol 1996 Chevy Blazer Fuel Pump
Proper Fuel Pump Trigger Wiring For Ls To Nissan 300zx Swaps
14cux Main And Fuel Pump Relay Operation Discovery Forum
Fuel Pump Relay Fuse Ih8mud Forum
Fuel Pump Not Turning On Due To Ground Signal To Ecm Ecu
Fuel Pump Relay Issues Yotatech Forums
Fuel Pump Wiring Cooling Fan Wiring Sr20det G4 Link
Fuel Pump Wiring Schematic Schematics Online
Ecu Wiring Diagram For Troubleshooting Fuel Pump
Fuel Pump Or Wiring Rx7club Com Mazda Rx7 Forum
30 Second Animation Fuel Pump Sending Unit
Fuel Pump Control Module Page 3 Subaru Legacy Forums
In Tank Fuel Pump Diagram Schematics Online
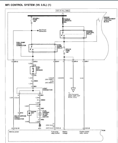
Hyundai Trajet Wiring Diagram Ecu Electric Golf Cart
Circuit Opening Relays On Toyotas Bluetwentyeight Ra28
03 636 Fuel Pump Circuit Trouble Zx Forums
No Power To The Fuel Pump Fuse Audiworld Forums
Relay Wire Diagram Catalogue Of Schemas
Toyota Mr2 Ecu Wiring Diagram Schematics Online
12 Volt Fuel Pump Mod Supra Forums
08 Jeep Wrangler Ecu Wiring Diagram Wiring Diagram
How To Megasquirt Your 2nd Gen Rx 7 Wire The Ecu Panel
Volvo Vacuum Pump Wiring Diagram Technical Diagrams
1999 Ford F 150 Ecu Wiring Diagram Technical Diagrams
Wiring Soild State Relays G4 Link Engine Management
Fuel Pump Relay Wiring Diagram Vw Diagrams Data Val And Cut
How To Oem Zetec Ecu With Pats Info
Ecu Wiring Diagram Catalogue Of Schemas
Ecu Wiring Diagram For Troubleshooting Fuel Pump
2009 700 Rhino Key Is Off Fuel Pump Is Still Running
Vehicle Mini Cooper 2003 Rusefi
Ford F 150 Ecu Wiring Diagram Wiring Schematic Diagram
Diagram Fan Relay Wiring Diagram Honda Full Version Hd
Gen2 Fuel Pump Power Supply Banyak Accesories Kereta
90 Accord Wiring Diagram Wiring Diagrams Folder
Relay Wire Diagram List Of Wiring Diagrams
Solved No Power To Fuel Pump 1990 Eagle Talon Tsi Awd Fixya
90 Ls400 Fuel Pump System Problem Page 2 Clublexus
Rb30et Wiring Patrol 4x4 Nissan Patrol Forum
S14a Electrical Issue Driftworks Forum
How To Megasquirt Your 2nd Gen Rx 7 Wire The Ecu Panel
Toyota Supra Na Tt Conversion Wiring Part 3 2jzgarage
Holley Fuel Pump Wiring Diagram Wiring Diagrams Folder
No Power To Fuel Pump On 2004 Santa Fe 4yl Auto I Am Not
Ktm 500 Wiring Diagram Wiring Diagram
Mazda Rx7 Rotary Engine Fuel Pump Electrical
Doc Diagram E30 Wiring Diagram Pdf Ebook Schematic
Fuel Pump Intermittent Tech Talk Wscc Community Forum
2014 Sxf 350 No Fuel Pump No Spark No Fi Light Tech Help
05 F150 Ecu Diagram Technical Diagrams
Fuel Pump Wire With High Low Voltage Circuit Evolutionm
Mp9 Injectors Not Getting Power The Volkswagen Club Of
Mazda 323 Relay Diagram Schematics Online
Doc Diagram 95 Honda Civic Ecu Wiring Diagram Ebook
Please Explain 1t From Ecu Rx7club Com Mazda Rx7 Forum
Nissan Micra K13 Fuse Box Layout K11 Diagram Automotive
Also Fuse Box Diagram Likewise Trailer Wiring Ecu For Online
2000 Honda Accord Fuel Pump Wiring Diagram
Solved 1999 Honda Passport I Do Have Power To The Ecu Fixya
Ford Festiva Ecu Wiring Diagram Wiring Diagrams Img
Jeep Grand Cherokee Ecu Wiring Diagram Image 1 10
Wiring Soild State Relays G4 Link Engine Management
1999 Accord Fuel Pump Wiring Diagram Wiring Library
Dw300 Question Page 2 Miata Turbo Forum Boost Cars
Mercedes Fuel Pump Wiring Diagram
Fuel Pump And Efi Relay Output On Modular Ecus Adaptronic
Fuel Pump Control Module Page 3 Subaru Legacy Forums
W111 3 5 Ecu Fuel Pump Relay Switching Experts Needed
Lexus Fuel Pump Diagram Schematics Online
- Get link
- X
- Other Apps




Comments
Post a Comment