- Get link
- X
- Other Apps
- Get link
- X
- Other Apps
Fuel Pump Control Ssei 2000 2005 Other Than Gxp
Fuel Pump Control Module Page 3 Subaru Legacy Forums
V8 Volvo Conversion Progress Fuel Pump Control Module
Hyundai Equus Fuel Pump Control Module Fpcm Schematic
How To Jump Fuel Pump Relay 2008 F150 And Where To Unhook
P1233 Ford S Fuel Pump Driver Module Diagnostics And Repair
2002 V70xc Finding The Fuel Pump Control Module Volvo Forums
Schematics Pinoouts Training Materials Technical
On A 2005 Ford E350 Van It Has No Fuel Pressure The Pink
Solved Where Is The Fuel Pump Module Located Which Wires
Schematics Pinoouts Training Materials Technical
Fuel Pump Control Module Page 3 Subaru Legacy Forums
Gm Fuel System Control Module Fscm Scannerdanner Forum
Chrysler Tipm Fuel Pump Circuit Failure
2003 Ford Taurus Fuel Pump I Ve Been Having Problems With
My Truck Keeps Blowing The Fscm Fuse
98 Cotinental Fuel Pump Wiring Diagram I Need A Wiring
What About The 300zx Fpcm Do I Need To Remove It Loj
Chevrolet Sonic Repair Manual Fuel Pump Flow Control Module
Repair Instructions Fuel Pump Flow Control Module
2000 Ford Fuel Pump Wiring Schematics Online
Diy How To Hardwire Your Fuel Pumps And Keep All
Gm Fuel Pump Wiring Diagram 1987 Wiring Schematic Diagram
Fuel Pump Relay Testing Technical Focus Snap On
Dodge Ram Questions 1998 Dodge Truck 1500 Can T Get Fuel
Only Wiring And Diagram 1994 Bmw 318i Fuel Pump Circuit And
Portable Fuel Pump Diagram Wiring Diagram
2002 V70xc Finding The Fuel Pump Control Module Volvo Forums
Oem 550hp Pwm Fuel Pump Controller Gt R Register Nissan
What Is The Fuel Pump Relay Location 2002 Ford Mustang V6
Fuel Pump Engine Diagram Schematics Online
Toyota Workshop Manuals Landcruiser Awd V8 4 7l 2uz Fe
Solved 04 Gmc Envoy With A 4 2 I Have No Power At The Fixya
1999 Ford F150 Fuel Pump Relay Diagram Driver Module
Infiniti M45 Y34 Manual Part 458
Mazda Cx 5 Service Repair Manual Fuel Pump Control
Starter Wiring Diagram Nice Ford Ranger Fuel Pump Thumb
Kia Fuel Pump Diagram Technical Diagrams
Mazda Cx 5 Service Repair Manual Fuel Pump Control
1999 Ford F150 Fuel Pump Wiring Diagram Wiring Diagrams
Repair Instructions Fuel Pump Flow Control Module
Where Is Fuel Pump Relay Located On Ford Mustang V6
E66 Fuel Pump Wiring Diagram E65 E66 Up To Production Da
2008 Gmc Sierra Wiring Diagram Malochicolove Com
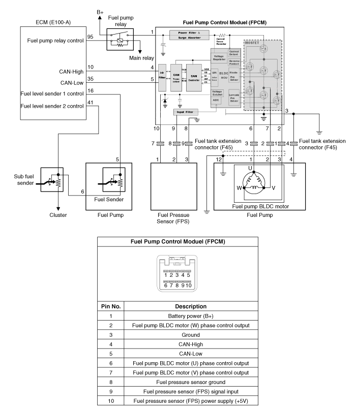
Hyundai Kona Fuel Pump Control Module Fpcm Schematic
P069e Fuel Pump Control Module Requested Mil Illumination
Audi Workshop Manuals A4 Mk2 Power Unit Fuel Supply
Fuel Pump Control Ssei 2000 2005 Other Than Gxp
Dodge Ram Fuel Pump Wiring Diagram Wiring Schematic Diagram
Wiring For Fuel Pump Connector 2015 S550 Mustang Forum
Fuel Pump Speed Control Module Wiring
Ford Con Wiring Diagram Diagrams Engine Fuel Pump The And
Mazda Cx 5 Service Repair Manual Fuel System Fuel
Gmc Yukon Fuel Pump Diagram Wiring Diagram G11
Repair Instructions Fuel Pump Flow Control Module
Bullitt Archive Mustang Fuel Pump Trouble Shooting
Melex Fuel Diagram Catalogue Of Schemas
Daewoo Lanos Fuel Pump Wiring Diagram Wiring Diagram
Gmc Fuel Pump Wiring Schematic Diagram
Grand Am Security System Repair Wiring Diagram Disconnect
1999 Ford F150 Fuel Pump Wiring Diagram Wiring Diagrams
Diy How To Hardwire Your Fuel Pumps And Keep All
2000 Expedition Fuel Pump Driver Modual Wiring Diagram
1983 Ford F 250 Fuel Pump Wiring Diagram Questions With
Fuel Pump Wire With High Low Voltage Circuit Page 9
Wiring Diagram 1995 Ford F700 Fuse Corvette Box Featured
Mercruiser Electric Fuel Pump Wiring Diagram
Jeep Liberty 2002 2005 Fuel System
Kia Sorento Engine Control Module Ecm Circuit Diagram
Primary Wiring Diagram 2001 Ford Windstar Ignition Coil
Audi A4 Comfort Control Module Wiring Diagram Diagram
99 Cobra Wiring Diagram Schematics Online
Cavalier Fuel Pump Wiring Diagram Wiring Schematic Diagram
2005 Ford Focus Hard Start Sputtering I Have A 2005 Ford
How Do You Put Power Straight To Fuel Pump Third
Ford Explorer Sport Trac Questions Sport Trac Cargurus
Volvo 850 Electrical Components Locations Volvotips
2000 Ford Mustang Fuel Pump Wiring Teachingwitharchives Com
2002 Yukon No Power To Fuel Pump The 1947 Present Chevrolet
Fourtitude Com Install A Ttrs Or Any Low Pressure Fuel
Ducati Wiring Schematics Wiring Diagrams Folder
Ford Focus Wiring Diagram Fuel Pump Diagrams Schematic Fuse
7 3 Powerstroke Wiring Diagram Google Search Diesel
Audi A6 Engine Parts Diagram Jnvalirajpur Com
1992 Chevrolet P30 Wiring Diagram Fuel Pump
2009 Chevy Impala Fuel Pump Wiring Diagram Automotive Repair
Wiring Diagram 2006 Buick Rendezvous Engine Diagram Wiring
Kia Rio Circuit Diagram Engine Control Module Ecm
Yukon Wire Harness Abeauvilliers Com
1987 Tbi Wiring Swap Tbi Fuel Pump Relay Bypass Tbi To Carb
Repair Instructions Fuel Pump Flow Control Module




Comments
Post a Comment