- Get link
- X
- Other Apps
- Get link
- X
- Other Apps
Tddi fuel pump ecu wiring diagram. 2015 ford transit wiring diagram fuel system thanks for visiting our site this is images about 2015 ford transit wiring diagram fuel system posted by alice ferreira in 2015 category on nov 13 2019.
Ford Transit Forum View Topic 03 Plate Transit 280 Non
This needs sorting first as for fuel just pooling around the injectors it will if the high pressure pipes are off as fuel still travels through the pump for lubrication purposes but at a low pressure.
Transit fuel pump wiring diagram. Does anyone know of any area the water is likely to be getting in to do this and does anyone have a wiring diagram for the circuits run off the fuel pump fuse. It is very time consuming to detect and prove a clogged fuel injector. With the ignition turned on pin 7 of the fuel pump connector should be a 12 volt feed try to check this with the wiring connected as if the pump is disconnected the engine management cuts the power.
By wobby wed jan 16. Tddi fuel pump ecu wiring diagram. 2004 jeep grand cherokee ltd 27 2003.
Learn to test and analyze automotive fuel injector circuits from a wiring diagram perspective. Hi i have an ex rac mk 6 transit 24 duratorq rear wheel drive which keeps blowing the fuel pump fuse when its wet. Cigar lighter power outlet fuses in the ford transit are the fuses f8 2015 2017.
Transit 24 dofa diesel pump wiring diagram. The technician needs to disassemble the fuel rail de activate the fuel pump and perform lengthy tests to prove the fault. Ac power outlet socket f44 auxiliary power points f47 cigar lighter socket f48 rear auxiliary power points and f49 front auxiliary power points in the instrument panel fuse box.
Here the wiring diagram for tddi diesel pump ecu relays. 10 posts page 1 of 1. 1 central locking fuses.
2 x 15a located undertaped too steering column. You can also find other images like ford wiring diagram ford parts diagram ford replacement parts ford electrical diagram ford repair manuals. Use this section to post all specific transit connect topics and questions.
Posted by columbus tuesday. Fuel injectors are attached to the fuel rail. 2 heater blower relay is behind centre console where fitted 3 auxiliary heater relay is under drivers seat where fitted.
I recently had a new fuel pump fitted to my 2003 ford transit. By paul2012 wed jan 16 2013 954 pm. I have had a new fuel pump fitted to my transit van but it still wont.
Ford Fuel Pump Relay Wiring Diagram Ford Ranger Ford
Ford Transit Forum View Topic Expert Help Needed 2002
Wiring Diagram Diagnostics 2 2005 Ford F 150 Crank No
2010 Transit Fuse Box Wiring Diagram
Ford Transit 2004 2 0 Tdi Manual Does Not Start Im Getting
Ford Transit Wiring Diagram Fixya
I Have A 2003 Duel Fuel Transit Just Wouldn T Start After
98 Ford Explorer Fuel Pump Wiring Diagram Wiring Library
2015 Ford Transit Wiring Diagram Ford Transit Mk7 Wiring
Ford Transit 2004 2 0 Tdi Manual Does Not Start Im Getting
X Reg Ford Transit Fuse Box Schematics Online
2011 Ford Transit Fuse Box Schematics Online
Ford Transit Mark 6 Fuse Box Wiring Library
Ford Transit Wiring Diagram On 1997 Dodge Ram 1500 Fuel Pump
93 Bronco Fuel Pump Wiring List Of Wiring Diagrams
Electric Fuse Box Catalogue Of Schemas
I Have A 2003 Duel Fuel Transit Just Wouldn T Start After
Ford Transit Forum View Topic Installing An Alarm
Ford Ranger Fuse Box Diagram 2010 Ford Ranger Ford Fuse
Vans Rv 10 Wiring Diagram Wiring Diagrams Folder
No Power To Fuel Pump Ford Truck Enthusiasts Forums
Ford Transit Fuse Box Manual Wiring Diagram
1990 Ford Fuse Box Technical Diagrams
Ford Transit Wiring Diagram On 1997 Dodge Ram 1500 Fuel Pump
Doc Diagram Ford Transit 2003 Fuel System Diagram Ebook
Ford Transit Wiring Diagram Front Parking Lights Wiring
87 Ford Ranger Fuse Box Schematics Online
How To Replace A Fuel Pump Relay Modular 2011 2018 Ford Flex
2008 Ford Escape Transponder Wiring Diagram Wiring
2012 Focus Fuse Diagram Wiring Schematic Diagram
Doc Diagram Line Diagrams Transit Ebook Schematic
Details About Oem New 2009 2014 Ford F 150 15 18 Transit Fuel Pump Relay Assembly Aa8z9d370b
Saturn Fuel Pressure Diagram Technical Diagrams
Wiring Diagram For 1998 Ford E350 Transit Bus Era
Acquisti Online 2 Sconti Su Qualsiasi Caso Ford Puma Fuel
Ford Workshop Manuals Transit Connect L4 2 0l 2010
93 Bronco Fuel Pump Wiring List Of Wiring Diagrams
Ford Transit Speaker Wiring 2000 F150 Window Wiring Diagram
Fuel Pump Relay Electrical Mk3 Mondeo Talkford Com
Ecu Repair Transit Fuel Pump Ecu Repair
1994 F150 Wiring Diagram Wiring Diagram
Ford Fuel Pump Diagrams Wiring Diagrams Folder
Turn On Key No Power To Fuel Pump Ford Truck Enthusiasts
F150 Fuel Pump Wiring Harness Install Spectra Fuel Pump
Symptoms Of A Bad Ignition Relay Function Location
Australia Top End Ford Transit 1999 2 5 L Diesel Ia M
2012 Focus Fuse Diagram Wiring Schematic Diagram
2 8 Capri Not Starting Again The Ford Capri Laser Page
Section Ford Transit T350 Fuse Box Maxresdefault Location
Transit 2006 Ford E 450 Wiring Diagram Technical Diagrams
Electric Fuel Pump Diagnosis Houston We Have A Problem
How To Oem Zetec Ecu With Pats Info
Mkz Mercury Panel Lincoln Location Town Diagram Pump
Fuse Box In Ford Focus 2008 Wiring Diagram
Ford F250 Super Duty Xl Where Is The Fuel Pump Shutoff
Turn On Key No Power To Fuel Pump Ford Truck Enthusiasts
Gasoline Fuel System Diagram Schematics Online
2015 Ford Transit Wiring Diagram Custom F 350 250 Connect
How To Change Water Pump On 2l Fwd Transit Do Your Dream
Wrg 6242 Ford Transit Wiring Diagram 96 1
Peugeot 307 Cc Audio Wiring Diagram Sat Systems Fuse Box P
Toyota Supra Fuel Pump Wiring Ford Transit Connect Wiring
Mkz Mercury Panel Lincoln Location Town Diagram Pump
2003 Ford Focus Fuel Pump Fuse Box Mwb Online Co
Transit Relay On Battery S Type Jag Lovers Forums
2017 Ford Transit Fuel Sensors Relays Connectors Carid Com
2004 Ford Ranger Wiring Diagram Luxury 1993 Ford Ranger Fuel
Ford Transit Wiring Diagram Owners Manual Wiring Library
2013 Vw Golf Fuse Diagram Wiring Schematic Diagram
Ford Transit Fuse Box Cigarette Lighter Connect Wiring
Ford Transit Speaker Wiring 2000 F150 Window Wiring Diagram
1990 Ford F250 Fuel Pump Wiring Diagram 1989 Blog Problems
Ford F 150 Fuse Box Diagram Wiring Schematic Diagram
Fuel Pump Removal 94 Free Engine Image For User Manual
Details About Ford Oem Fuel Pump Relay Aa8z9d370b
Ford E 450 Motorhome Wiring Diagram Ford Transit Radio
97 Buick Regal Gs 3 8 Supercharged Fuel Pump Wiring Diagram
2012 Chrysler 300 Fuse Box Wiring Schematic Diagram
Vehicle Layout Guide U S Upfitters
2016 Ford Transit 350 Fuse Box Diagram 1992 F350 Lwb Need F
Aircraft Gas Turbine Engine S Control Based On The Fuel
Fuse Box On A Ford Fiesta Wiring Diagram Database
Haynes Manual Ford Transit 1995 2019 Ebook Library
93 Bronco Fuel Pump Wiring List Of Wiring Diagrams
How To Wire Hydraulic Power Pack Power Unit Diagram Design
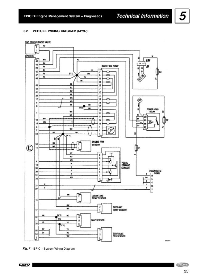
Doc Diagram Epic Lucas E Bosch Su Ford Transit Ebook
Ford Transit Fuse Box Cigarette Lighter Connect Wiring
Ecu Repair Transit Fuel Pump Ecu Repair
Ford Starter Wiring Connection Diagram Expert Electrical
Ford Transit Fuse Box Manual Wiring Diagram
Vauxhall Combo Wiring Diagram Pdf Wiring Schematic Diagram
Ford Transit Connect Fuse Box Diagram Ford Transit Forum
Cadillac Deville 1999 Fuse Box Diagram Auto Genius
Kawasaki Ninja 300 2014 Fuel Pump Msp
5 Symptoms Of A Bad Fuel Pressure Sensor And Replacement
Electric Fuel Pump Diagnosis Houston We Have A Problem
Wind Turbines Raising And Furling Mast Robotic Tracking
- Get link
- X
- Other Apps

Comments
Post a Comment